EN CN
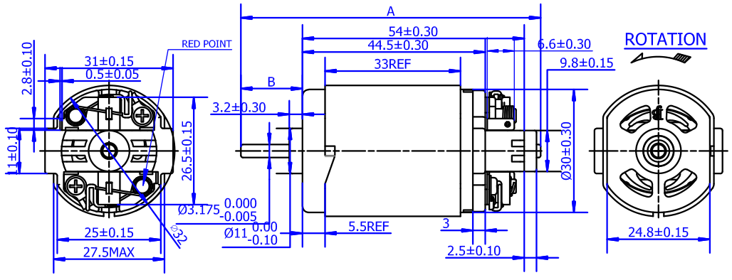
JBFD440

JBFD440

用途:

产品介绍:

产品详情